🔋سیستم مدیریت و کنترل باتری لیتیوم فسفات (LiFePO4)
باتری های لیتیوم-آهن-فسفات (LiFePO4) به دلیل ایمنی بالا، طول عمر بسیار زیاد، پایداری حرارتی خوب و تعداد سیکل شارژ بالا، در بسیاری از کاربردها مانند سیستم های ذخیره انرژی خانگی، خودروهای برقی، دوچرخه ها، UPS و پروژه های DIY به کار میروند.
با این حال، استفاده از این باتری ها بدون سیستم محافظ یا BMS(Battery Management System) میتواند منجر به آسیب جدی به باتری و کاهش طول عمر آن شود.
برای عملکرد ایمن و دقیق باتری های LiFePO4، به یک ساختار الکترونیکی خاص به نام سیستم مدیریت باتری (BMS) نیاز است.
📚 BMS باتری لیتیوم فسفات چیست؟
سیستم مدیریت باتری (Battery Management System – BMS) مانند مغز مجموعه باتری است که وظیفه ی کنترل، نظارت و محافظت از باتری را بر عهده دارد.
یک BMS مخصوص LiFePO4 به طور خاص برای مدیریت ولتاژ پایین تر این نوع باتری طراحی میشود (حداکثر ولتاژ شارژ هر سلول حدود 3.65 ولت است).
کارکرد اصلی BMS، متعادل سازی سلول ها (Cell Balancing) و نظارت دقیق بر وضعیت باتری است. بدون این سیستم، اختلاف ولتاژ بین سلول ها به مرور افزایش پیدا می کند و باعث می شود ظرفیت باتری کاهش یابد یا حتی سلول ها آسیب ببینند.
🛠️ وظایف سیستم مدیریت باتری LiFePO4
- محافظت در برابر شارژ بیش از حد (Overcharge) (حداکثر 3.65 ولت برای هر سلول)
- محافظت در برابر تخلیه بیش از حد (Overdischarge) (حداقل حدود 2.5 ولت برای هر سلول)
- جلوگیری از عبور جریان بیش از حد (Overcurrent)
- محافظت در برابر اتصال کوتاه (Short Circuit)
- متعادل سازی سلول ها (Cell Balancing)
- نظارت بر دمای باتری (در مدل های پیشرفته)
- مانیتورینگ وضعیت شارژ (State of Charge)
- ثبت و انتقال داده های عملیاتی به سیستم های دیگر
❓چرا باتری لیتیوم فسفات به BMS نیاز دارد؟
باتری های LiFePO4نسبت به باتری های لیتیوم-یون از نظر ایمنی وضعیت بهتری دارند و احتمال آتش سوزی کمتری دارند، اما همچنان نیازمند کنترل دقیق هستند تا:
- در محدوده ی ولتاژ مجاز کار کنند.
- سلول ها به درستی بالانس شوند.
- از آسیب ناشی از تخلیه یا شارژ بیش از حد جلوگیری شود.
- طول عمر و بازدهی باتری در سطح بهینه باقی بماند.
🔧کاربردهای رایج BMS مخصوص LiFePO4
- سیستم های ذخیره انرژی خانگی (Solar ESS)
- خودروهای الکتریکی سبک (دوچرخهو اسکوتر برقی)
- UPS و پشتیبان برق
- باتری های صنعتی و تجاری
- سیستم های خورشیدی و نیروگاه های تجدیدپذیر

🧩 اجزای اصلی BMS LiFePO4
- مدار اندازه گیری ولتاژ هر سلول
- مدار اندازه گیری جریان (شانت یا سنسور هال)
- سنسورهای دما (NTC/PTC)
- میکروکنترلر یا پردازنده مرکزی
- مدار بالانس سلول ها (Passive یا Active Balancing)
- ماسفت های حفاظتی
- ماژول ارتباطی (CAN, UART, RS485, بلوتوث)
- حافظه داخلی برای ذخیره داده ها
✅ مزایای استفاده از BMS LiFePO4
- جلوگیری از شارژ و دشارژ بیش از حد
- افزایش عمر مفید باتری
- بهبود کارایی و عملکرد در طول زمان
- ایمنی بیشتر نسبت به باتری های بدون BMS
- کاهش ریسک آسیب، انفجار یا آتش سوزی
- پایش سلامت سلول ها و تشخیص سریع خطاها
- تعادل دقیق ولتاژ بین سلول ها
- افزایش بازده سیستم و کاهش هزینه های نگهداری
⚠️هشدارها و نکات ایمنی
- هرگز از BMS لیتیوم یون برای پک لیتیوم فسفات استفاده نکنید. زیرا ولتاژ کاری متفاوت است.
- از ضربه زدن یا وارد کردن فشار به برد BMS پرهیز کنید.
- BMS را باز نکنید و در ساختار آن تغییر ایجاد نکنید.
- هیتسینک فلزی برد را خراش ندهید یا آسیب نزنید؛ خطر رسانا شدن وجود دارد. همچنین هیتسینک BMS نباید مستقیماً به سلولها متصل شود.
- تماس مستقیم BMSبا نوار نیکل یا هسته سلول ممنوع است.
- ترتیب اتصال سیمهای B0 تا B+ را کاملاً رعایت کنید؛ هرگونه اشتباه منجر به سوختن مدار خواهد شد.
- استفاده از دو BMS بهصورت سری یا موازی ممنوع است.
- از اتصال اشتباه سیمها خودداری کنید؛ ترتیب سیمکشی باید دقیق باشد.
- ابتدا سیمکشی سلولها را کامل کنید، سپس خروجی P+ و P- را به شارژر یا بار متصل نمایید.
- از اتصال مستقیم P+ و P- به یکدیگر جداً خودداری کنید؛ این کار باعث آسیب ماسفتها میشود.
- تمام سلولها باید از یک مدل، با ظرفیت و ولتاژ برابر باشند.
- از ترکیب سلولهای قدیمی و جدید یا برندهای مختلف در یک پک باتری اجتناب کنید.
- در لحیمکاری، از گرم شدن بیش از حد سلولها جلوگیری کنید.
- در زمان نصب، اقدامات ضد الکتریسیته ساکن، ضد آب و ضد گردوغبار را رعایت کنید.
- ضخامت ورق نیکل یا باس بار باید با توان خروجی سیستم هماهنگ باشد؛ ضخامت نامناسب باعث افت ولتاژ یا داغ شدن مسیر جریان میشود.
- از تماس BMS با آب و رطوبت خودداری کنید؛ خطر اتصال کوتاه وجود دارد.
- باتری را فقط در محدوده دمای مجاز شارژ و دشارژ کنید؛ شارژ در دمای زیر صفر مجاز نیست.
- حتماً از سنسور دما (NTC) برای پایش دمای پک استفاده کنید.
- پس از نصب، از عملکرد صحیح بالانسر، حفاظت در برابر ولتاژ بالا و قطع تخلیه پایین اطمینان حاصل کنید.
📐دستورالعمل سیم کشی:
🔋1- اتصال باتری ها
- اتصال کابل 9 پین به طوریکه کابل قرمز رنگ به +B وکابل مشکی رنگ به -B متصل باشد.
- اتصال -B:سیم منفی از قطب منفی سلول اول (پایین ترین ولتاژ) به -B وصل شود.
- اتصال B1+:نقطه اتصال بین سلول اول و دوم به B1+ وصل شود.
- اتصال B2+:نقطه اتصال بین سلول دوم و سوم به B2+ وصل شود.
- ......
- اتصال B7+: نقطه اتصال بین سلول هفتم و هشتم به B7+ وصل شود.
- اتصال +B:سر مثبت سل آخر به +B وصل شود.
🚨 نکته: دقت کنید ترتیب اتصال و سیم بندی صحیح باشد تا BMS دچار آسیب و سوختگی نشود.
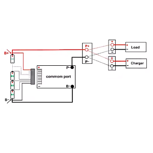
🔌2- اتصال خروجی و شارژر
-C-/P :این پایه برای خروجی BMS به بار (مثلاً موتور، مدار، لامپ) و همچنین ورودی برای شارژر می باشد. (از این پایه برای شارژ باتری ها هم استفاده می شود). و برای اتصال سر مثبت بار و شارژراز +B باتری به خروجی مثبت بار سیم کشی می شود.
🌡️ 3- اتصال سنسور دما (NTC Thermistor)
پایه T:معمولاً به یک مقاومت حساس به دما (NTC) با مقدار 10KΩ متصل میشود.
این مقاومت باید در تماس با باتری ها باشد تا دمای آنها را مانیتور کند. برخی بردها بدون NTC هم کار می کنند اما توصیه می شود برای ایمنی از آن استفاده شود.

🧾 جمع بندی
BMSمخصوص باتری لیتیوم فسفات (LiFePO4)، یک بخش کلیدی و حیاتی در هر سیستم ذخیره سازی انرژی است. این سیستم از باتری در برابر خطرات احتمالی محافظت می کند، طول عمر را افزایش می دهد و کارایی را در سطح بهینه نگه میدارد.
با رشد روزافزون استفاده از باتری های LiFePO4 در صنعت و مصارف خانگی، اهمیت انتخاب BMS مناسب دوچندان شده است.